『泥水処理計画』
| 価格(税別) | 250,000円 別途保守契約必須 |
|---|---|
| 対応OS | Windows10/11 |
| その他必要な環境 | USB Type-A端子 |
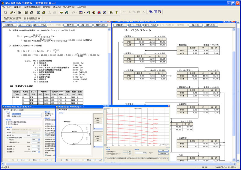
「泥水処理計画」は、泥水処理計画における「物質収支計算」を行い、併せて一次処理および二次処理での泥水処理装置の規格、台数の検討を同時に行うことができ、および「泥水輸送計画」では送泥ポンプおよび排泥ポンプの選定計算を行うことが可能。また、出力もバランスシートはもちろん報告書タイプの詳細な計算結果の印刷が可能。
株式会社シビルソフト開発
| TEL | :03-5816-3155 |
|---|---|
| FAX | :03-5816-3160 |
| ソフト専用URL | :https://www.civil.jp/product/deisui.html |
※上記の内容は、登録企業・団体からの申請に基づき掲載しております。最終更新日:2025.06.19



















