『液状化の判定(H29)』
| 価格(税別) | 要問い合わせ サブスクリプション |
|---|---|
| 対応OS | Windows10 |
| 推奨CPU | OSのシステム要件を満たし、問題なく動作する環境 |
| 推奨メモリ | OSのシステム要件を満たし、問題なく動作する環境 |
| 必要HD容量 | 10GB以上の空き容量 |
| その他必要な環境 | 1280×1024以上が表示可能なもの |
| カテゴリー |
|
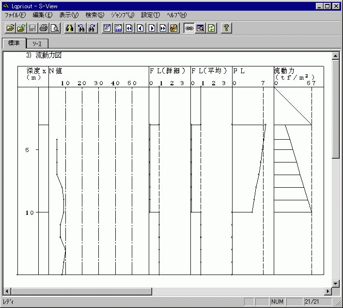
砂質地盤の液状化判定、軟弱な粘性土の判定、流動力・沈下量の算出を行う。「道路橋示方書」(平成29年)に準拠。
川田テクノシステム株式会社
| TEL | :03-5657-0510 |
|---|---|
| FAX | :03-5657-0511 |
| ソフト専用URL | :https://www.kts.co.jp/seijyou/s_fdn029/index.html |
※上記の内容は、登録企業・団体からの申請に基づき掲載しております。最終更新日:2022.05.26



















